Работаем по всей России

Разработка проекта пандуса с поручнями для объекта АУ "Театр кукол РС(Я)"

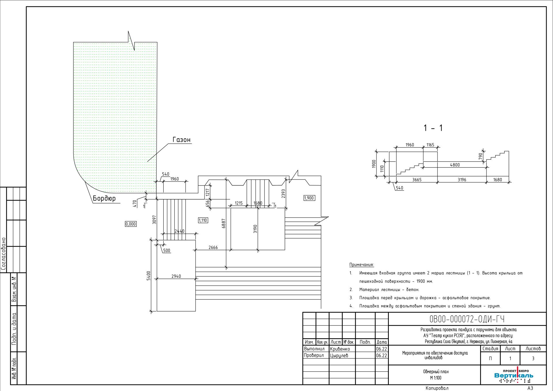
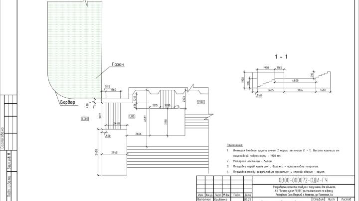
Этот проект направлен на обеспечение легкого доступа для людей с ограниченными возможностями и ограниченной подвижностью к Театру кукол РС(Я) в Нерюнгри, Республика Саха (Якутия). Проект основан на технических спецификациях, требованиях заказчика, результатах обследования и действующих строительных нормах и предписаниях.

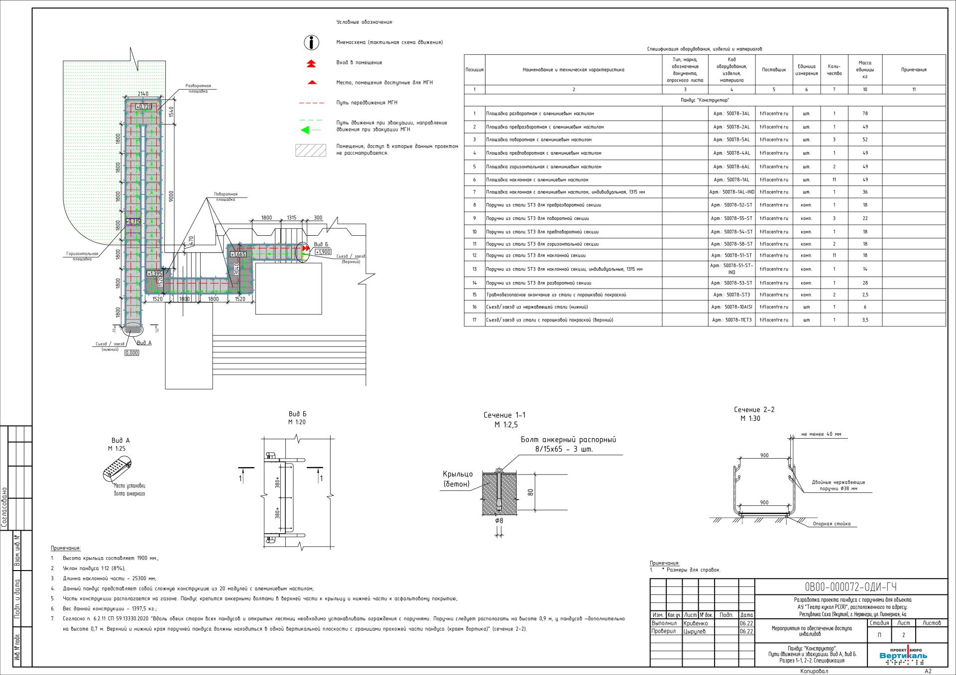
Конструкция включает в себя установку пандуса, который отвечает всем требованиям, указанным в соответствующих нормативных актах, включая размер платформы, ширину марша пандуса, наклон пандуса и установку поручней. Поручни сконструированы таким образом, чтобы выдерживать нагрузку без деформации и быть травмоустойчивыми. 

Проектом рекомендуются дополнительные ремонтные работы на входной лестнице и установка опорных поручней на лестнице. В целом, этот проект обеспечивает разумную адаптацию людей с ограниченными возможностями без ограничения условий жизни или возможностей других групп населения.

Закажите проект прямо сейчас!

Выделите опечатку и нажмите Ctrl + Enter, чтобы отправить сообщение об ошибке.