Работаем по всей России

Адаптация помещений ГОБУЗ МОКМЦ, расположенных по адресу: г. Мурманск, ул. Володарского, д.18а

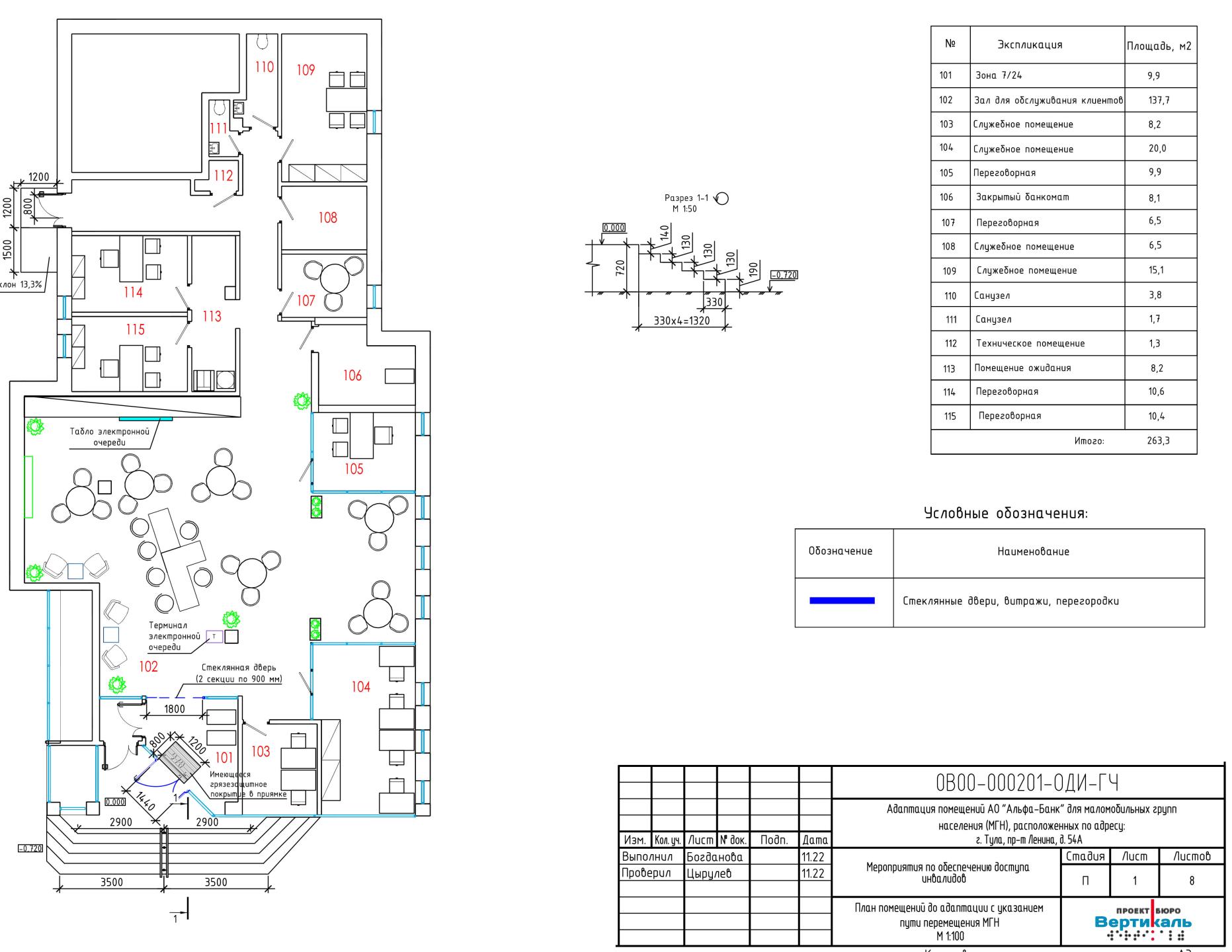
Этот проект разработан для обеспечения беспрепятственного доступа людей с ограниченными возможностями и маломобильных групп населения в помещения банка. Проект предусматривает адаптацию существующего помещения банка в городе Тула, расположенного по адресу: пр-т Ленина, д. 54А, с учетом принципов "разумного приспособления". В основу проектной документации положены техническое задание на проектирование, данные, предоставленные заказчиком, результаты обследования и действующие строительные нормы и правила.

Цели проекта:

  1. Обеспечить доступность целевых мест внутри банка по кратчайшему пути для посетителей с ограниченными возможностями и обеспечить их свободное перемещение внутри помещений.
  2. Обеспечить безопасность путей движения и зон обслуживания.
  3. Обеспечить своевременную и полноценную информацию для маломобильных групп населения, позволяющую им ориентироваться в пространстве, использовать оборудование и получать услуги.

Принципы проекта: Указанные проектные решения не должны ограничивать другие группы населения, находящиеся в помещении банка, и не должны ущемлять их возможности. После реализации мероприятий, предусмотренных проектом, инвалиды групп мобильности М1-М4 смогут свободно получать услуги в банковском отделении.

Тактильные настенные указатели на путях перемещения МГН: Согласно СП 59.13330.2020, в местах массового посещения должны быть установлены технические средства информирования, ориентирования и сигнализации, обеспечивающие однозначную информацию для посетителей, а также обеспечивающие надежную ориентацию в пространстве. В данном проекте предусмотрены тактильные визуальные указатели на путях перемещения для маломобильных групп населения. Проект по адаптации банка в городе Тула с целью обеспечения беспрепятственного доступа и удобства для людей с ограниченными возможностями и маломобильных групп населения предусматривает ряд мер и решений.

Основные цели проекта - обеспечить доступность помещений и безопасность посетителей, а также предоставить информацию для ориентации и использования услуг. Проект включает установку тактильных настенных указателей на путях перемещения, что поможет маломобильным группам населения ориентироваться внутри банка. Проект реализован с учетом принципов "разумного приспособления", чтобы не ограничивать другие группы населения и обеспечить равные возможности для всех.

Закажите проект прямо сейчас!

Выделите опечатку и нажмите Ctrl + Enter, чтобы отправить сообщение об ошибке.